安装直线导轨时,对其直线度的调整比较麻烦,但是使用了力平(导轨压块)以后,可以比较简单快速的达到安装调整的理想效果。
亚母斯为您提供直线导轨和直线滑块安装固定的标准件—力平(导轨压块),它是现在一种便捷、廉价、精确的固定安装方式。
由于它独特的圆锥面接触锁紧使其达到安装固定的理想状态。用户只需按亚母斯为您提供的尺寸打螺孔加工,然后装上亚母斯的“力平(导轨压块)”,便可实现精确定位锁紧的目的了。
LP-P 产品采用坚固的黄铜材质制作,无论在何种环境条件下都不会生锈。由于其惯性矩大,适用于冲击和振动较多的CNC机床使用,可部分吸收传递到线性导轨的振动。
减少占用空间,满足小空间安装需求。
减少安装人员安装难度。
减少设备安装、维护成本。
满足特殊领域使用要求。
| 型号 (Type) | A | C | D | E | 螺孔 倒角 |
G | N | J | K | 安装 大扭矩 kgf cm |
锁紧力 kgf |
|---|---|---|---|---|---|---|---|---|---|---|---|
| LP0404-P | 14 | 4 | M4 | (3) | C1 | 10 | 6.3 | 8 | 2.5 | 30 | 120 |
| LP0505-P | 14 | 5 | M5 | (4) | C1 | 14 | 6.3 | 10 | 3 | 60 | 170 |
| LP0606-P | 16 | 6 | M6 | (5) | C1 | 16 | 7.3 | 11 | 4 | 100 | 220 |
| LP0808-P | 20 | 8 | M8 | (6.5) | C1 | 25 | 9.3 | 19 | 5 | 190 | 290 |
| LP0810-P | 20 | 10 | M8 | (6.5) | C1 | 25 | 9.3 | 19 | 5 | 190 | 350 |
| LP1012-P | 24 | 12 | M10 | (8.5) | C1 | 30 | 11.3 | 22 | 8 | 300 | 480 |
*保留有修改技术参数的权利

| AMS | ||||||
|---|---|---|---|---|---|---|
| 型 号 | E | F | 相对应的力平型号 | |||
| AMG15 | 2.65 | 7.50 | - | |||
| AMG20 | 3.50 | 10.00 | - | |||
| AMG25 | 5.00 | 11.50 | LP0404 | |||
| AMG30 | 6.50 | 14.00 | LP0606 | |||
| AMG35 | 7.50 | 17.00 | LP0606 | |||
| AMG45 | 7.30 | 22.50 | LP0606 | |||
| AMG55 | 9.80 | 26.50 | LP0808 | |||
| AMG65 | 17.50 | 31.50 | LP1012 | |||

| SBC | ||||||
|---|---|---|---|---|---|---|
| 型 号 | E | W1/2 | 相对应的力平型号 | |||
| SBG15 | 2.65 | 7.50 | - | |||
| SBG20 | 3.50 | 10.00 | - | |||
| SBG25 | 5.00 | 11.50 | LP0404 | |||
| SBG30 | 6.50 | 14.00 | LP0505 LP0606 |
|||
| SBG35 | 7.50 | 17.00 | LP0606 | |||
| SBG45 | 7.30 | 22.50 | LP0606 | |||
| SBG55 | 9.80 | 26.50 | LP0808 | |||
| SBG65 | 17.50 | 31.50 | LP1012 | |||

| THK | ||||||
|---|---|---|---|---|---|---|
| 型 号 | M-K | W1/2 | 相对应的力平型号 | |||
| HSR15 | 4.70 | 7.50 | LP0404 | |||
| HSR20 | 4.00 | 10.00 | - | |||
| HSR25 | 5.50 | 11.50 | LP0505 | |||
| HSR30 | 7.00 | 14.00 | LP0606 | |||
| HSR35 | 7.50 | 17.00 | LP0606 | |||
| HSR45 | 10.00 | 22.50 | LP0808 | |||
| HSR55 | 13.00 | 26.50 | LP1012 | |||
| HSR65 | 14.00 | 31.50 | LP1012 | |||
| HSR85 | 16.00 | 42.50 | LP1012 | |||

| HIWIN | ||||||
|---|---|---|---|---|---|---|
| 型 号 | H1 | WR/2 | 相对应的力平型号 | |||
| HGW15 | 4.30 | 7.50 | LP0404 | |||
| HGW20 | 4.60 | 10.00 | LP0404 | |||
| HGW25 | 5.50 | 11.50 | LP0505 | |||
| HGW30 | 6.00 | 14.00 | LP0505 | |||
| HGW35 | 7.50 | 17.00 | LP0606 | |||
| HGW45 | 9.50 | 22.50 | LP0808 | |||
| HGW55 | 13.00 | 26.50 | LP1012 | |||
| HGW65 | 15.00 | 31.50 | LP1012 | |||

| ABBA | ||||||
|---|---|---|---|---|---|---|
| 型 号 | E | W1/2 | 相对应的力平型号 | |||
| BRH15 | 4.60 | 7.50 | LP0404 | |||
| BRH20 | 5.00 | 10.00 | LP0404 | |||
| BRH25 | 7.00 | 11.50 | LP0606 | |||
| BRH30 | 9.00 | 14.00 | LP0808 | |||
| BRH35 | 9.50 | 17.00 | LP0808 | |||
| BRH45 | 14.00 | 22.50 | LP1012 | |||
| BRH55 | 15.00 | 26.50 | LP1012 | |||

| PMI | ||||||
|---|---|---|---|---|---|---|
| 型 号 | H2 | W1/2 | 相对应的力平型号 | |||
| MSA15A/LA | 4.20 | 7.50 | LP0404 | |||
| MSA20A/LA | 5.00 | 10.00 | LP0404 | |||
| MSA25A/LA | 6.50 | 11.50 | LP0505 LP0606 |
|||
| MSA30A/LA | 8.00 | 14.00 | LP0606 | |||
| MSA35A/LA | 9.50 | 17.00 | LP0808 | |||
| MSA45A/LA | 10.00 | 22.50 | LP0808 | |||
| 型 号 | H2 | W1/2 | 相对应的力平型号 | |||
| MSB15E/TE | 4.50 | 7.50 | LP0404 | |||
| MSE20E/TE | 6.00 | 10.00 | LP0505 | |||
| MSB25E/TE | 7.00 | 11.50 | >LP0606 | |||
| MSB30E/TE | 8.00 | 14.00 | LP0606 | |||

| STAR | |||||
|---|---|---|---|---|---|
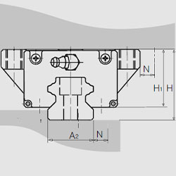
| 型 号 | H-H1(E) | A2/2 | 相对应的力平型号 | ||
| 15 | 4.10 | 7.50 | - | ||
| 20 | 4.65 | 10.00 | LP0404 | ||
| 25 | 6.10 | 11.50 | LP0505 | ||
| 30 | 6.65 | 14.00 | LP0606 | ||
| 35 | 7.60 | 17.00 | LP0606 | ||
| 45 | 9.70 | 22.50 | LP0808 | ||

| TOMSON | |||||
|---|---|---|---|---|---|
| 型 号 | H-H1 | A2/2 | 相对应的力平型号 | ||
| 30 | 4.50 | 14.00 | LP0404 | ||
| 35 | 5.50 | 17.00 | LP0505 | ||
| 45 | 7.00 | 22.50 | LP0606 | ||
| 55 | 7.50 | 26.50 | LP0606 | ||
| 65 | 10.00 | 31.50 | LP0808 | ||