
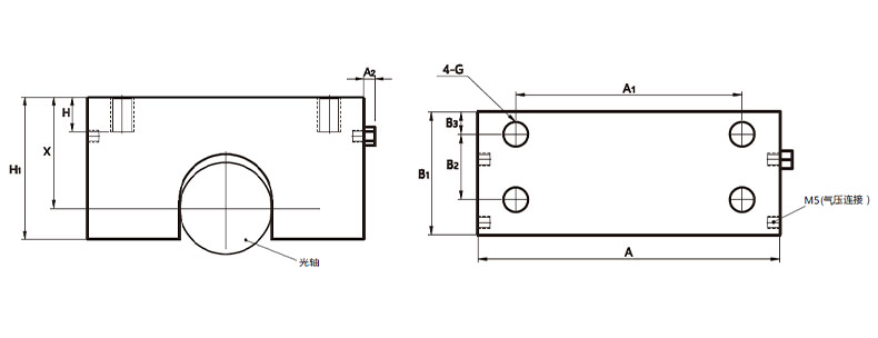
单位:mm
| 型 号 | A | A1 | A2 | B1 | B2 | B3 | G | H | X | H1 | 保持力 (*1)N |
质量 Kg |
|---|---|---|---|---|---|---|---|---|---|---|---|---|
| FPR3000A | 92 | 68 | 5 | 48.5 | 25 | 14 | M10 | 13 | 35 | 48.5 | 1600 | 1.7 |
| FPR3200A | 120 | 90 | 5 | 52 | 26 | 13 | M10 | 15 | 45 | 62 | 1750 | 1.9 |
| FPR4000A | 120 | 90 | 5 | 52 | 26 | 13 | M10 | 15 | 45 | 62 | 1750 | 2.6 |
| FPR5000A | 132 | 108 | 5 | 52 | 30 | 11 | M10 | 15 | 50 | 67 | 1750 | 2.7 |
| FPR6000A | 142 | 108 | 5 | 52 | 30 | 11 | M10 | 15 | 50 | 67 | 1750 | 2.9 |
*1:压强为0.6MPa时的值。
*2:通过辅助垫片保持夹紧装置的高度与导轨滑块的组合高度一致。
